Menu
Skip to content
Home
About Us
Products
Air Conditioning Splits
Single Splits — RAC
Single Splits — PAC
Multi Indoor Units — RAC
Multi Splits — PAC
Multi Outdoor Units — RAC
Heat Pump
Hydrolution
Q-ton
ETW
VRF (KX)
Indoor Units
Outdoor Units
Chillers
AART
ETI
Controllers & Accessories
Local Access Controllers
Remote Access Controllers
PDF & Branch Pipes
Downloads
Air Conditioning
VRF Systems
Heat Pumps
Chillers
Projects
Latest News
Contact
0
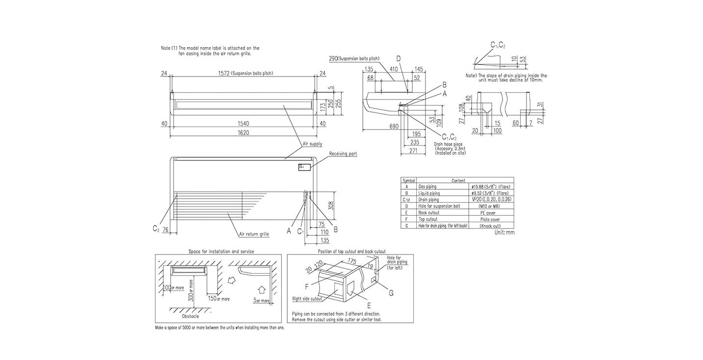
FDE100VSXVG
1-фев-17
FDE100VSXVG
1434 × 734
FDE100VSXVG
Previous Image
Next Image