Açıklama
FDUM125VF x2
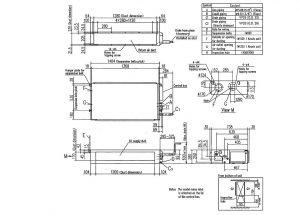
Low Static Pressure Duct Connected – Indoor Unit
FDUM250VSAPVF
Low static pressure duct connected PAC indoor unit with a nominal cooling capacity of 12.5 kW.
Technical Specifications
| Nominal cooling capacity (min-max) | kW | 24.0 ( 6.9-28.0 ) |
| Nominal heating capacity (min-max) | kW | 27.0 ( 5.5 – 31.5 ) |
| Exterior Dimensions (H x W x D) | mm | Unit:280 x 1370 x 740 |
| Net Weight | kg | 54 |
| Air Flow Cooling (Hi/Me/Lo) | m3/min | 39 / 32 / 26 / 20 |
| Air Flow Heating (Hi/Me/Lo) | m3/min | 39 / 32 / 26 / 20 |
| Sound Pressure Level Cooling (Hi/Me/Lo) | dB(A) | 45 / 40 / 34 / 29 |
| Sound Pressure Level Heating (Hi/Me/Lo) | dB(A) | 45 / 40 / 34 / 29 |
Schematics
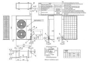
Low Static Pressure Duct Connected – Outdoor Unit
FDC250VSA
PAC outdoor unit with a nominal cooling capacity of 25.0 kW.
Technical Specifications
| Nominal cooling capacity (min-max) | kW | 24.0 ( 6.9-28.0 ) |
| Nominal heating capacity (min-max) | kW | 27.0 ( 5.5 – 31.5 ) |
| EER (Energy Label) | – | 2.88 |
| COP (Energy Label) | – | 3.59 |
| Exterior Dimensions (H x W x D) | mm | 1505 x 970 x 370 |
| Net Weight | kg | 140 |
| Sound Pressure Level (Cooling/Heating) | dB(A) | 59/ 62 |
| Power Source | – | 3 Phase 380-415V 50Hz, 3 Phase 380V 60Hz |
| Inrush current (220/230/240v) | A | 5 |
| Max. running current | A | 22 |
| Power consumption (Cooling/Heating) | kW | 8.33 / 7.52 |
| Ref. Piping Size (Liquid/Gas) | Ø mm | 12.7 (1/2″) / 22.22 (7/8″) |
| Ref. Max Piping Length | m | Max.70 |
| Vertical Height differences / Outdoor is higher/lower | m | Max. 30 / Max. 15 |


